General Battery light on

Currently reading:
General Battery light on

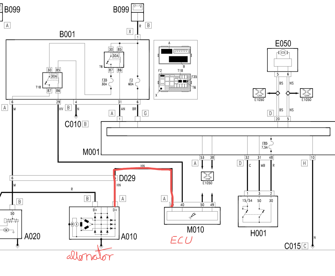
What we need is a starting point

We can measure this point (red in the diagram below) and make sure it's around 1V at ignition on and around 14V with the engine running

We could also pull apart D029 connector and measure the output from the ECU at ignition on which should be around 9 volts give or take

Screenshot_20250209-120424.png



We can control the battery light from the body computer directly via software this would prove the body computer can send the correct information to the dash and the dash is working correctly

Odds favour the the information received from the alternator isn't correct due to either it's wire or alternator fault, which we can test with a £5 multimeter


I have assumed your is without start stop, but the principles are the same for both
 
What we need is a starting point

We can measure this point (red in the diagram below) and make sure it's around 1V at ignition on and around 14V with the engine running

We could also pull apart D029 connector and measure the output from the ECU at ignition on which should be around 9 volts give or take

View attachment 460413


We can control the battery light from the body computer directly via software this would prove the body computer can send the correct information to the dash and the dash is working correctly

Odds favour the the information received from the alternator isn't correct due to either it's wire or alternator fault, which we can test with a £5 multimeter


I have assumed your is without start stop, but the principles are the same for both
Fantastic mate you clearly know what you are doing how much would you want to do this?
 
What we need is a starting point

We can measure this point (red in the diagram below) and make sure it's around 1V at ignition on and around 14V with the engine running

We could also pull apart D029 connector and measure the output from the ECU at ignition on which should be around 9 volts give or take

View attachment 460413


We can control the battery light from the body computer directly via software this would prove the body computer can send the correct information to the dash and the dash is working correctly

Odds favour the the information received from the alternator isn't correct due to either it's wire or alternator fault, which we can test with a £5 multimeter


I have assumed your is without start stop, but the principles are the same for both
I would also assume that its an issue with the ecu as some of the fuses which i have replaced were burnt
 
I can talk you through checking the wire with a multimeter, it's the most likely

I am surprised the steering light hasn't come on, most models go into a power saving mode when a charge fault is found
 
Chris, I understand that such issues are frustrating but breathe and take it one step at a time. The root cause could be something as simple as a failing battery or could be something more complex such as lack of communications from the BCM.

The key is to start with the fundamentals first. Get yourself a multimeter (circa £10 online); it's an invaluable bit of kit that will pay for itself many times over. With the engine on, measure the voltage of the battery. A healthy battery will show around 12.6V-12.8V. Then start the car and measure the battery voltage again. If you get a reading of around 13.6V-14.4V, then it's a pretty safe bet that the alternator is charging the battery.

Another test is to borrow a healthy, compatible battery from a friend and see if the battery light is still on.

If these simple tests don't reveal the root cause then update your progress on this thread and the good folk of this forum can help you move on to the next step.
 
Weak battery is the most common problem and people can't diagnose it properly (voltage is not enough). And they argue.
Proper way is to check the electrolyte density in each cell, but you must have a classic battery, serviceable.
https://aftersales.fiat.com/elearnsections/main.aspx?nodeID=199002598&languageID=2&markID=1&modelID=199000000&valID=199000000&prodID=199000000&modelName=Fiat - 199 - Grande Punto&langDesc=English&sectionName=Descrizioni&validityName=1.2 8v
In practice, charging must be clearly above 14 volts (range you're all giving here is too much swing).

There are also software issues. Modules (Body, ECU and Steering possibly) are overreacting, judge the voltage too quickly after engine start, so the alternator has no time to start charging properly (voltage is still rising, but the car "thinks" charging is "bad").
https://aftersales.fiat.com/elearnsections/main.aspx?nodeID=199929192&languageID=2&markID=1&modelID=199000000&valID=199000000&prodID=199000000&modelName=Fiat - 199 - Grande Punto&langDesc=English&sectionName=Service News&validityName=1.2 8v
 
Drive to a friendly mechanic. They'll put a multimeter on batt to check voltage, also when cars running.

Should be around 12.4v-12.6v off. 13.8v-14.6v running.
Hi, just wanted to confirm that when running and the voltage actually drops (11.6v for example) that this needs the alternator replaced? Belt looks fine but I haven't checked the earth points/cables. Thanks.
 
Hi, just wanted to confirm that when running and the voltage actually drops (11.6v for example) that this needs the alternator replaced? Belt looks fine but I haven't checked the earth points/cables. Thanks.
If the reading is only 11.6v when running then you have a problem, should be 13.8v upwards
 
Hi, just wanted to confirm that when running and the voltage actually drops (11.6v for example) that this needs the alternator replaced? Belt looks fine but I haven't checked the earth points/cables. Thanks.
Hi,

Is this the "Jet Black.. "? 🤔

Several things to check for a Healthy charging circuit..

Being a GP.. , there are probably 3 likely candidates
 
Hi, just wanted to confirm that when running and the voltage actually drops (11.6v for example) that this needs the alternator replaced? Belt looks fine but I haven't checked the earth points/cables. Thanks.
There not enough information to say it's definitely the alternator

We don't know if the large wire from the starter to the alternator is okay

You don't know if the control wire is okay

You don't know if the ECU is sending current to start the alternator charging

We don't know if return path to the batter negative is okay

There's two ways to go about the problem

You can fit a different alternator or fix the original alternator, the odds are in your favour it will fix the problem

Or you can eliminate the points above through measurements, which may lead you down a different path, and cost nothing but a bit of time and effort

We are willing to guide you through testing if that's the way you want to go
 
Back
Top