Technical Seek reassurance

Currently reading:
Technical Seek reassurance

To be honest I did not pay attention to that specific. The radiator fan is quite quiet I noticed so I do not hear anything when behind the steering wheel. But I saw the radiator fan working a week ago when checking coolant level with hot engine.
Good, all is likely to be well then. Our wee pandas have a single speed radiator fan so if it's working then it's working! I was caught out by my boy's Punto which had a two speed fan. The resistor which enabled slow speed had failed so the engine had to get very hot before the second stage was triggered and woke the fan up. The fan still worked, but the engine was getting uncomfortably hot before it would do so. The resistor was easy to change and not too expensive from S4p. I think if we'd not caught it, then maybe, in the hotter summer weather, he might have suffered head gasket problems eventually.
 
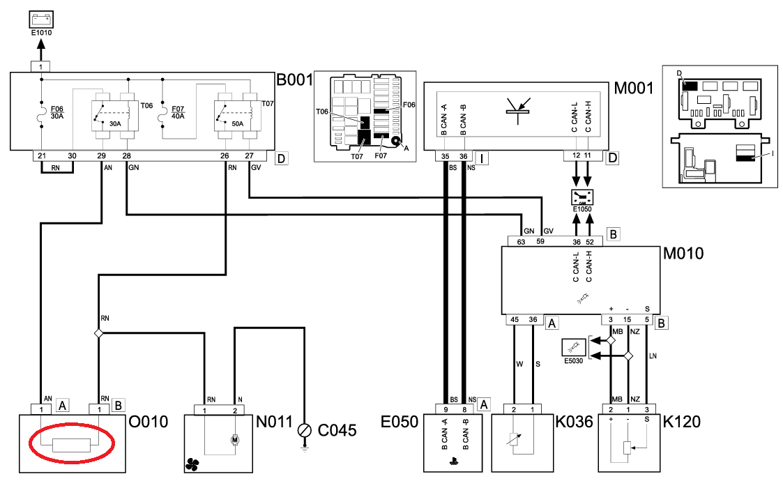
Well, I think our Pandas have a speed limiting resistor, according to the electrical diagrams.
1752960878187.png


1752960995212.png
 

Attachments

  • 1752960717972.png
    1752960717972.png
    70 KB · Views: 8
Back
Top