I will post the same info on the headlights in the afternoon 
Thanks for postingx250 dipped headlights (based on the VIN of my 2011 Ducato Maxi):
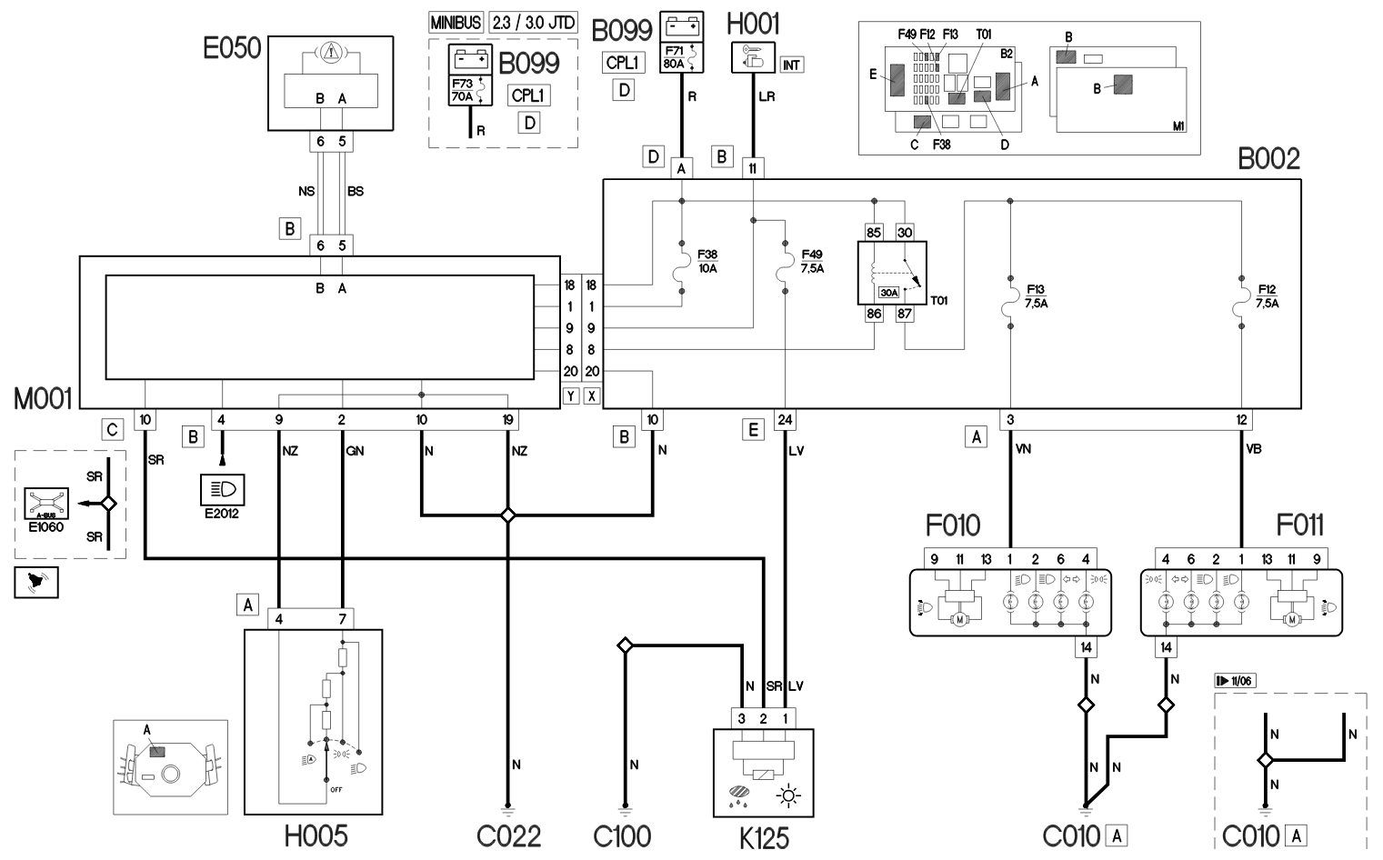
Description:
A single (earth) signal is sent from the stalk unit H005 to the Body Computer M001 to manage both the side lights and dipped headlamps (including the AUTO mode): from pin 7 of H005 to pin 2 of connector B of M001; the signal is coded through various resistance partitions so that multiple information is sent from the steering column stalk unit to the Body Computer via a single connection.
A reference earth reaches pin 4 of connector A of steering column stalk unit H005 from pin 9 of connector B of Body Computer M001.
The Body Computer M001 receives a direct battery power supply at pin 1 (protected by fuse F38 of B002) and 18 of the coupling with the junction unit under the dashboard B002; it also receives an ignition-controlled power supply (INT) at pin 9 of the same coupling.
This direct battery power supply is protected upstream by fuse F71 (CPL1) of the B099 maxifuse control unit on the battery (connector D). On the Minibus versions (2.3 JTD / 3.0 JTD) the above power supply is protected by fuse F73 (CPL1) of the maxifuse box on the battery B099 (connector D).
The M001 Body Computer is also connected to the C022 central dashboard earth via pins 10 and 19 of connector B and via pin 20 of the junction with the B002 junction unit under the dashboard (output from pin 10 of connector B of the B002 junction unit).
The Body Computer M001 manages the activation of the dipped beam headlamps by providing an earth signal to relay T01 of the junction unit under the dashboard B002, once it has received the command from the steering column stalk unit (or from the dusk sensor in AUTO mode).
The left F010 (pin 1) and right F011 (pin 1) front headlamps are supplied via lines protected by fuses F13 and F12 respectively, both of which are located in the junction unit under the dashboard B002.
In particular, left headlamp F010 receives power via the connection from pin 3 of connector A of the junction unit under the dashboard B002, whilst left headlamp F011 receives power from pin 12 of connector A.
The dipped beam headlamps are activated by rain / dusk sensor K125 in AUTO mode; the sensor dialogues with the Body Computer via serial line A-BUS (connection between pin 2 of rain / dusk sensor K125 and pin 10 connector C of Body Computer M001).
The dusk sensor is supplied (pin 1) by an INT line protected by fuse F49 of the junction unit under the dashboard B002, and is connected, via pin 3, to cabin earth C100.
The Follow me home function is activated by a "main beam headlamps flasher" earth signal sent from the steering column switch unit H005 (pin 6 connector A) to the Body Computer M001 (pin 4 connector B).
Via the CAN line, the Body Computer is connected to instrument panel E050, pins 5 and 6 of connector B, and manages the general failure warning light and the relevant message on the display in the event of a dusk sensor fault.
Wiring diagram:
View attachment 453046
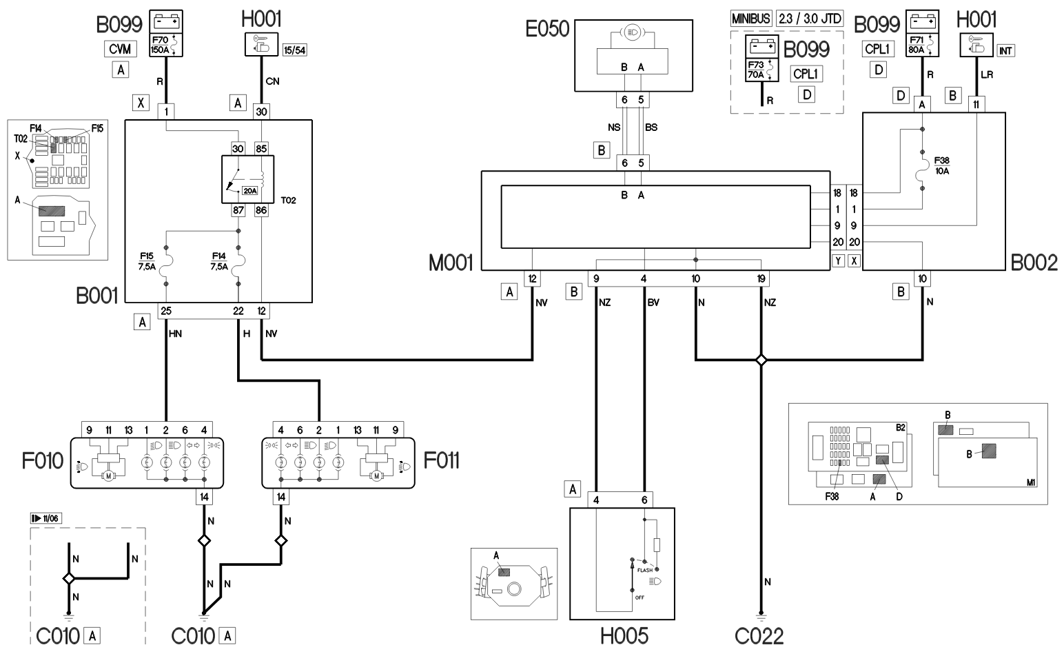
Main beam:
Description:
The steering column switch unit H005 is connected to the Body Computer M001. More specifically:
a reference earth reaches pin 4 of connector A of the steering column switch unit H005 from pin 9 of connector B of the Body Computer M001.
pin 6 of connector A of the steering column switch unit H005 is connected to pin 4 of connector B of the Body Computer M001, sending two different (negative) analogue signals depending on whether the flasher or fixed dipped headlamps mode is selected.
The Body Computer M001 recognizes the analogue signal sent by the steering column switch unit H005 and, supplying an earth signal, controls the activation of relay T02 located in the engine compartment junction unit B001 closing the circuit and providing a power supply for both front headlamps.
In particular, the left headlamp F010 receives a power supply, at pin 2, via the line protected by fuse F15 located in the engine compartment junction unit B001, whilst the right headlamp F011 receives a power supply via the line protected by fuse F14, also located in the same junction unit.
Both front headlamps are connected, via respective pins 14, to the left front earth C010.
The Body Computer M001 is connected, via the CAN line (pins 5 and 6 of connector B) to the instrument panel E050 (pins 5 and 6) to manage the "main beam headlamps" warning light.
Diagram:
View attachment 453047
Indicators / Hazards:
Description:
A single (earth) signal is sent from the stalk unit H005 to Body Computer M001 to manage the left and right direction indicators: from pin 5 of H005 to pin 7 of connector B of M001; the signal sent is coded through various resistance partitions so that different information is sent to the Body Computer from the steering column switch unit via a single connection.
Diagrams:
View attachment 453048
View attachment 453049
Side lights / number plate lights:
Description:
A single (earth) signal is sent from the stalk unit H005 to the Body Computer M001 to manage both the side lights and dipped headlamps (including the AUTO mode): from pin 7 of H005 to pin 2 of connector B of M001; the signal is coded through various resistance partitions so that multiple information is sent from the steering column stalk unit to the Body Computer via a single connection.
A reference earth reaches pin 4 of connector A of steering column stalk unit H005 from pin 9 of connector B of Body Computer M001.
The Body Computer M001 receives a direct battery power supply at pin 1 (protected by fuse F38 of B002) and 18 of the coupling with the junction unit under the dashboard B002; it also receives an ignition-controlled power supply (INT) at pin 9 of the same coupling.
The M001 Body Computer is also connected to the C022 central dashboard earth via pins 10 and 19 of connector B and via pin 20 of the junction with the B002 junction unit under the dashboard (output from pin 10 of connector B of the B002 junction unit).
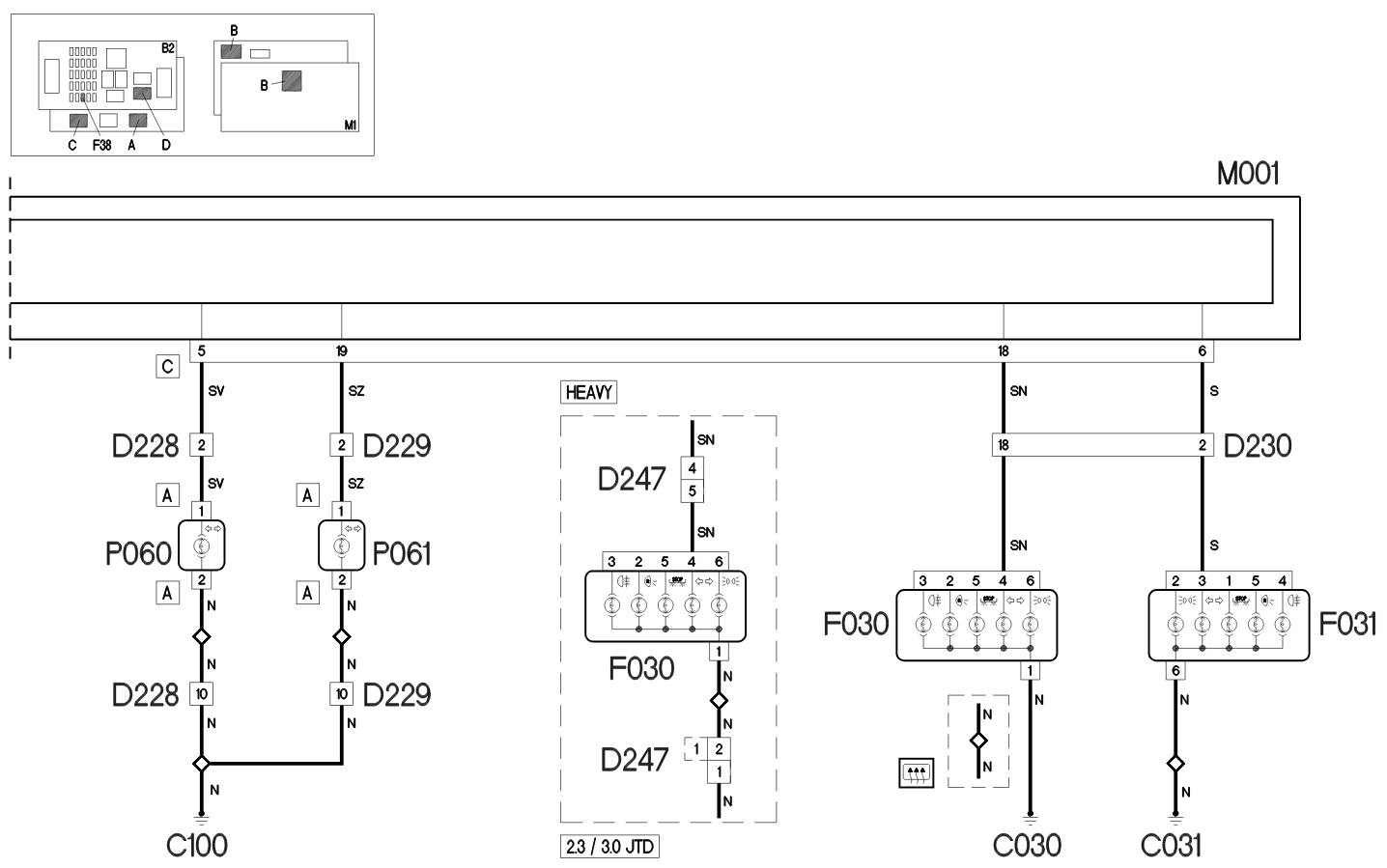
Body Computer M001 controls the activation of the side lights respectively:
from pin 52 connector A, for left light F010 (pin 4);
from pin 39 connector A, for right light F011 (pin 4);
from pin 8 connector C, for rear left light F030 (pin 6);
from pin 9 connector C, for rear right light F031 (pin 2);
from pin 12 connector C, for left-hand F050 (pin 1) and right-hand F051 (pin 1) number plate lights.
The side lights are activated by rain / dusk sensor K125 in AUTO mode; the sensor dialogues with the Body Computer via serial line A-BUS (connection between pin 2 of rain / dusk sensor K125 and pin 10 connector C of Body Computer M001).
The dusk sensor is supplied (pin 1) by an INT line protected by fuse F49 of the junction unit under the dashboard B002, and is connected, via pin 3, to cabin earth C100.
The side/no. plate lights can also be turned on by placing the ignition switch H001 in the PARK position (POS power supply); the Body Computer M001 receives this power supply via pin 12 of the coupling with the junction unit under the dashboard B002.
The connection between pin 5 of connector A of the steering column switch unit H005 and pin 7 of connector B of the Body Computer M001 (direction indicators) allows the possible selection of the lights on only one of the two vehicle branches (left or right).
The Follow me home function is activated by a "main beam headlamps flasher" earth signal sent from the steering column switch unit H005 (pin 6 connector A) to the Body Computer M001 (pin 4 connector B).
The Body Computer is connected, via the CAN line, pins 5 and 6 of connector B, to the instrument panel E050 to manage the "side lights on" warning light.
In addition, if there are faults detected in the circuit or in the bulbs, the Body Computer manages the "exterior lights failure" warning light, via the CAN, or, in the case of a failure in the dusk sensor, the "general failure" warning light and the relevant messages in the display.
Diagrams:
View attachment 453051
View attachment 453052
Combined elements:
B002 JUNCTION UNIT UNDER DASHBOARD
B099 MAXI FUSE BOX ON BATTERY
C010 LEFT FRONT EARTH
C022 Centre dashboard earth
C030 LEFT REAR EARTH
C031 RIGHT REAR EARTH
C100 CAB EARTH
D228 CAB/FRONT DRIVER'S DOOR COUPLING
D229 CAB/FRONT PASSENGER DOOR COUPLING
D230 RIGHT LONGITUDINAL/CAB COUPLING
D232 RIGHT LONGITUDINAL/LEFT SWING DOOR COUPLING
D247 REAR FOG LAMP BRIDGE COUPLING
E050 INSTRUMENT PANEL
F010 LEFT HEADLIGHT
F011 RIGHT HEADLIGHT
F030 LEFT REAR LIGHT CLUSTER
F031 RIGHT REAR LIGHT CLUSTER
F050 LEFT NUMBER PLATE LIGHT
F051 RIGHT NUMBER PLATE LIGHT
H001 IGNITION SWITCH
H005 STEERING COLUMN SWITCH UNIT
H090 SWITCH CONTROL PANEL
K125 RAIN AND DUSK SENSOR
M001 BODY COMPUTER
P060 DRIVER'S DOOR MIRROR
P061 PASSENGER DOOR MIRROR
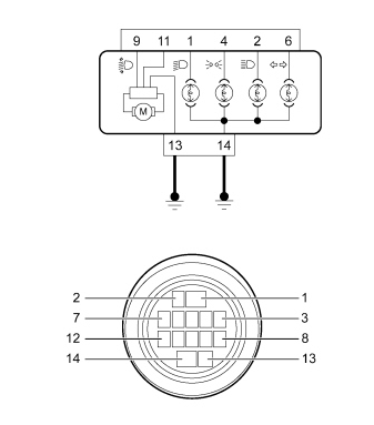
Round plug pinout:
View attachment 453055
PIN Description
1 Dipped headlamps power supply
2 Main beam headlamps power supply
3 N.C.
4 Side lights power supply
5 N.C.
6 Direction indicators power supply
7 N.C.
8 N.C.
9 Headlamps levelling signal
10 N.C.
11 Dipped headlamps signal for levelling
12 N.C.
13 Headlamp levelling earth
14 Power earth for lights
I can't find the wiring colour descriptionHope to be able to still find it somewhere.
Have in mind it's a FIAT documentation, so it could have been changed several times between the time it was published and you van was produced. And then, SEVEL was known to use what they had available at the time...
Which to me says a bad earth and those 2 wires from drlx250 dipped headlights (based on the VIN of my 2011 Ducato Maxi):
Description:
A single (earth) signal is sent from the stalk unit H005 to the Body Computer M001 to manage both the side lights and dipped headlamps (including the AUTO mode): from pin 7 of H005 to pin 2 of connector B of M001; the signal is coded through various resistance partitions so that multiple information is sent from the steering column stalk unit to the Body Computer via a single connection.
A reference earth reaches pin 4 of connector A of steering column stalk unit H005 from pin 9 of connector B of Body Computer M001.
The Body Computer M001 receives a direct battery power supply at pin 1 (protected by fuse F38 of B002) and 18 of the coupling with the junction unit under the dashboard B002; it also receives an ignition-controlled power supply (INT) at pin 9 of the same coupling.
This direct battery power supply is protected upstream by fuse F71 (CPL1) of the B099 maxifuse control unit on the battery (connector D). On the Minibus versions (2.3 JTD / 3.0 JTD) the above power supply is protected by fuse F73 (CPL1) of the maxifuse box on the battery B099 (connector D).
The M001 Body Computer is also connected to the C022 central dashboard earth via pins 10 and 19 of connector B and via pin 20 of the junction with the B002 junction unit under the dashboard (output from pin 10 of connector B of the B002 junction unit).
The Body Computer M001 manages the activation of the dipped beam headlamps by providing an earth signal to relay T01 of the junction unit under the dashboard B002, once it has received the command from the steering column stalk unit (or from the dusk sensor in AUTO mode).
The left F010 (pin 1) and right F011 (pin 1) front headlamps are supplied via lines protected by fuses F13 and F12 respectively, both of which are located in the junction unit under the dashboard B002.
In particular, left headlamp F010 receives power via the connection from pin 3 of connector A of the junction unit under the dashboard B002, whilst left headlamp F011 receives power from pin 12 of connector A.
The dipped beam headlamps are activated by rain / dusk sensor K125 in AUTO mode; the sensor dialogues with the Body Computer via serial line A-BUS (connection between pin 2 of rain / dusk sensor K125 and pin 10 connector C of Body Computer M001).
The dusk sensor is supplied (pin 1) by an INT line protected by fuse F49 of the junction unit under the dashboard B002, and is connected, via pin 3, to cabin earth C100.
The Follow me home function is activated by a "main beam headlamps flasher" earth signal sent from the steering column switch unit H005 (pin 6 connector A) to the Body Computer M001 (pin 4 connector B).
Via the CAN line, the Body Computer is connected to instrument panel E050, pins 5 and 6 of connector B, and manages the general failure warning light and the relevant message on the display in the event of a dusk sensor fault.
Wiring diagram:
View attachment 453046
Main beam:
Description:
The steering column switch unit H005 is connected to the Body Computer M001. More specifically:
a reference earth reaches pin 4 of connector A of the steering column switch unit H005 from pin 9 of connector B of the Body Computer M001.
pin 6 of connector A of the steering column switch unit H005 is connected to pin 4 of connector B of the Body Computer M001, sending two different (negative) analogue signals depending on whether the flasher or fixed dipped headlamps mode is selected.
The Body Computer M001 recognizes the analogue signal sent by the steering column switch unit H005 and, supplying an earth signal, controls the activation of relay T02 located in the engine compartment junction unit B001 closing the circuit and providing a power supply for both front headlamps.
In particular, the left headlamp F010 receives a power supply, at pin 2, via the line protected by fuse F15 located in the engine compartment junction unit B001, whilst the right headlamp F011 receives a power supply via the line protected by fuse F14, also located in the same junction unit.
Both front headlamps are connected, via respective pins 14, to the left front earth C010.
The Body Computer M001 is connected, via the CAN line (pins 5 and 6 of connector B) to the instrument panel E050 (pins 5 and 6) to manage the "main beam headlamps" warning light.
Diagram:
View attachment 453047
Indicators / Hazards:
Description:
A single (earth) signal is sent from the stalk unit H005 to Body Computer M001 to manage the left and right direction indicators: from pin 5 of H005 to pin 7 of connector B of M001; the signal sent is coded through various resistance partitions so that different information is sent to the Body Computer from the steering column switch unit via a single connection.
Diagrams:
View attachment 453048
View attachment 453049
Side lights / number plate lights:
Description:
A single (earth) signal is sent from the stalk unit H005 to the Body Computer M001 to manage both the side lights and dipped headlamps (including the AUTO mode): from pin 7 of H005 to pin 2 of connector B of M001; the signal is coded through various resistance partitions so that multiple information is sent from the steering column stalk unit to the Body Computer via a single connection.
A reference earth reaches pin 4 of connector A of steering column stalk unit H005 from pin 9 of connector B of Body Computer M001.
The Body Computer M001 receives a direct battery power supply at pin 1 (protected by fuse F38 of B002) and 18 of the coupling with the junction unit under the dashboard B002; it also receives an ignition-controlled power supply (INT) at pin 9 of the same coupling.
The M001 Body Computer is also connected to the C022 central dashboard earth via pins 10 and 19 of connector B and via pin 20 of the junction with the B002 junction unit under the dashboard (output from pin 10 of connector B of the B002 junction unit).
Body Computer M001 controls the activation of the side lights respectively:
from pin 52 connector A, for left light F010 (pin 4);
from pin 39 connector A, for right light F011 (pin 4);
from pin 8 connector C, for rear left light F030 (pin 6);
from pin 9 connector C, for rear right light F031 (pin 2);
from pin 12 connector C, for left-hand F050 (pin 1) and right-hand F051 (pin 1) number plate lights.
The side lights are activated by rain / dusk sensor K125 in AUTO mode; the sensor dialogues with the Body Computer via serial line A-BUS (connection between pin 2 of rain / dusk sensor K125 and pin 10 connector C of Body Computer M001).
The dusk sensor is supplied (pin 1) by an INT line protected by fuse F49 of the junction unit under the dashboard B002, and is connected, via pin 3, to cabin earth C100.
The side/no. plate lights can also be turned on by placing the ignition switch H001 in the PARK position (POS power supply); the Body Computer M001 receives this power supply via pin 12 of the coupling with the junction unit under the dashboard B002.
The connection between pin 5 of connector A of the steering column switch unit H005 and pin 7 of connector B of the Body Computer M001 (direction indicators) allows the possible selection of the lights on only one of the two vehicle branches (left or right).
The Follow me home function is activated by a "main beam headlamps flasher" earth signal sent from the steering column switch unit H005 (pin 6 connector A) to the Body Computer M001 (pin 4 connector B).
The Body Computer is connected, via the CAN line, pins 5 and 6 of connector B, to the instrument panel E050 to manage the "side lights on" warning light.
In addition, if there are faults detected in the circuit or in the bulbs, the Body Computer manages the "exterior lights failure" warning light, via the CAN, or, in the case of a failure in the dusk sensor, the "general failure" warning light and the relevant messages in the display.
Diagrams:
View attachment 453051
View attachment 453052
Combined elements:
B002 JUNCTION UNIT UNDER DASHBOARD
B099 MAXI FUSE BOX ON BATTERY
C010 LEFT FRONT EARTH
C022 Centre dashboard earth
C030 LEFT REAR EARTH
C031 RIGHT REAR EARTH
C100 CAB EARTH
D228 CAB/FRONT DRIVER'S DOOR COUPLING
D229 CAB/FRONT PASSENGER DOOR COUPLING
D230 RIGHT LONGITUDINAL/CAB COUPLING
D232 RIGHT LONGITUDINAL/LEFT SWING DOOR COUPLING
D247 REAR FOG LAMP BRIDGE COUPLING
E050 INSTRUMENT PANEL
F010 LEFT HEADLIGHT
F011 RIGHT HEADLIGHT
F030 LEFT REAR LIGHT CLUSTER
F031 RIGHT REAR LIGHT CLUSTER
F050 LEFT NUMBER PLATE LIGHT
F051 RIGHT NUMBER PLATE LIGHT
H001 IGNITION SWITCH
H005 STEERING COLUMN SWITCH UNIT
H090 SWITCH CONTROL PANEL
K125 RAIN AND DUSK SENSOR
M001 BODY COMPUTER
P060 DRIVER'S DOOR MIRROR
P061 PASSENGER DOOR MIRROR
Round plug pinout:
View attachment 453055
PIN Description
1 Dipped headlamps power supply
2 Main beam headlamps power supply
3 N.C.
4 Side lights power supply
5 N.C.
6 Direction indicators power supply
7 N.C.
8 N.C.
9 Headlamps levelling signal
10 N.C.
11 Dipped headlamps signal for levelling
12 N.C.
13 Headlamp levelling earth
14 Power earth for lights
I can't find the wiring colour descriptionHope to be able to still find it somewhere.
Have in mind it's a FIAT documentation, so it could have been changed several times between the time it was published and you van was produced. And then, SEVEL was known to use what they had available at the time...
Ok just sorted other faults caused by brake pedal switch I bought new and replaced and it’s faulty so put old back inx250 dipped headlights (based on the VIN of my 2011 Ducato Maxi):
Description:
A single (earth) signal is sent from the stalk unit H005 to the Body Computer M001 to manage both the side lights and dipped headlamps (including the AUTO mode): from pin 7 of H005 to pin 2 of connector B of M001; the signal is coded through various resistance partitions so that multiple information is sent from the steering column stalk unit to the Body Computer via a single connection.
A reference earth reaches pin 4 of connector A of steering column stalk unit H005 from pin 9 of connector B of Body Computer M001.
The Body Computer M001 receives a direct battery power supply at pin 1 (protected by fuse F38 of B002) and 18 of the coupling with the junction unit under the dashboard B002; it also receives an ignition-controlled power supply (INT) at pin 9 of the same coupling.
This direct battery power supply is protected upstream by fuse F71 (CPL1) of the B099 maxifuse control unit on the battery (connector D). On the Minibus versions (2.3 JTD / 3.0 JTD) the above power supply is protected by fuse F73 (CPL1) of the maxifuse box on the battery B099 (connector D).
The M001 Body Computer is also connected to the C022 central dashboard earth via pins 10 and 19 of connector B and via pin 20 of the junction with the B002 junction unit under the dashboard (output from pin 10 of connector B of the B002 junction unit).
The Body Computer M001 manages the activation of the dipped beam headlamps by providing an earth signal to relay T01 of the junction unit under the dashboard B002, once it has received the command from the steering column stalk unit (or from the dusk sensor in AUTO mode).
The left F010 (pin 1) and right F011 (pin 1) front headlamps are supplied via lines protected by fuses F13 and F12 respectively, both of which are located in the junction unit under the dashboard B002.
In particular, left headlamp F010 receives power via the connection from pin 3 of connector A of the junction unit under the dashboard B002, whilst left headlamp F011 receives power from pin 12 of connector A.
The dipped beam headlamps are activated by rain / dusk sensor K125 in AUTO mode; the sensor dialogues with the Body Computer via serial line A-BUS (connection between pin 2 of rain / dusk sensor K125 and pin 10 connector C of Body Computer M001).
The dusk sensor is supplied (pin 1) by an INT line protected by fuse F49 of the junction unit under the dashboard B002, and is connected, via pin 3, to cabin earth C100.
The Follow me home function is activated by a "main beam headlamps flasher" earth signal sent from the steering column switch unit H005 (pin 6 connector A) to the Body Computer M001 (pin 4 connector B).
Via the CAN line, the Body Computer is connected to instrument panel E050, pins 5 and 6 of connector B, and manages the general failure warning light and the relevant message on the display in the event of a dusk sensor fault.
Wiring diagram:
View attachment 453046
Main beam:
Description:
The steering column switch unit H005 is connected to the Body Computer M001. More specifically:
a reference earth reaches pin 4 of connector A of the steering column switch unit H005 from pin 9 of connector B of the Body Computer M001.
pin 6 of connector A of the steering column switch unit H005 is connected to pin 4 of connector B of the Body Computer M001, sending two different (negative) analogue signals depending on whether the flasher or fixed dipped headlamps mode is selected.
The Body Computer M001 recognizes the analogue signal sent by the steering column switch unit H005 and, supplying an earth signal, controls the activation of relay T02 located in the engine compartment junction unit B001 closing the circuit and providing a power supply for both front headlamps.
In particular, the left headlamp F010 receives a power supply, at pin 2, via the line protected by fuse F15 located in the engine compartment junction unit B001, whilst the right headlamp F011 receives a power supply via the line protected by fuse F14, also located in the same junction unit.
Both front headlamps are connected, via respective pins 14, to the left front earth C010.
The Body Computer M001 is connected, via the CAN line (pins 5 and 6 of connector B) to the instrument panel E050 (pins 5 and 6) to manage the "main beam headlamps" warning light.
Diagram:
View attachment 453047
Indicators / Hazards:
Description:
A single (earth) signal is sent from the stalk unit H005 to Body Computer M001 to manage the left and right direction indicators: from pin 5 of H005 to pin 7 of connector B of M001; the signal sent is coded through various resistance partitions so that different information is sent to the Body Computer from the steering column switch unit via a single connection.
Diagrams:
View attachment 453048
View attachment 453049
Side lights / number plate lights:
Description:
A single (earth) signal is sent from the stalk unit H005 to the Body Computer M001 to manage both the side lights and dipped headlamps (including the AUTO mode): from pin 7 of H005 to pin 2 of connector B of M001; the signal is coded through various resistance partitions so that multiple information is sent from the steering column stalk unit to the Body Computer via a single connection.
A reference earth reaches pin 4 of connector A of steering column stalk unit H005 from pin 9 of connector B of Body Computer M001.
The Body Computer M001 receives a direct battery power supply at pin 1 (protected by fuse F38 of B002) and 18 of the coupling with the junction unit under the dashboard B002; it also receives an ignition-controlled power supply (INT) at pin 9 of the same coupling.
The M001 Body Computer is also connected to the C022 central dashboard earth via pins 10 and 19 of connector B and via pin 20 of the junction with the B002 junction unit under the dashboard (output from pin 10 of connector B of the B002 junction unit).
Body Computer M001 controls the activation of the side lights respectively:
from pin 52 connector A, for left light F010 (pin 4);
from pin 39 connector A, for right light F011 (pin 4);
from pin 8 connector C, for rear left light F030 (pin 6);
from pin 9 connector C, for rear right light F031 (pin 2);
from pin 12 connector C, for left-hand F050 (pin 1) and right-hand F051 (pin 1) number plate lights.
The side lights are activated by rain / dusk sensor K125 in AUTO mode; the sensor dialogues with the Body Computer via serial line A-BUS (connection between pin 2 of rain / dusk sensor K125 and pin 10 connector C of Body Computer M001).
The dusk sensor is supplied (pin 1) by an INT line protected by fuse F49 of the junction unit under the dashboard B002, and is connected, via pin 3, to cabin earth C100.
The side/no. plate lights can also be turned on by placing the ignition switch H001 in the PARK position (POS power supply); the Body Computer M001 receives this power supply via pin 12 of the coupling with the junction unit under the dashboard B002.
The connection between pin 5 of connector A of the steering column switch unit H005 and pin 7 of connector B of the Body Computer M001 (direction indicators) allows the possible selection of the lights on only one of the two vehicle branches (left or right).
The Follow me home function is activated by a "main beam headlamps flasher" earth signal sent from the steering column switch unit H005 (pin 6 connector A) to the Body Computer M001 (pin 4 connector B).
The Body Computer is connected, via the CAN line, pins 5 and 6 of connector B, to the instrument panel E050 to manage the "side lights on" warning light.
In addition, if there are faults detected in the circuit or in the bulbs, the Body Computer manages the "exterior lights failure" warning light, via the CAN, or, in the case of a failure in the dusk sensor, the "general failure" warning light and the relevant messages in the display.
Diagrams:
View attachment 453051
View attachment 453052
Combined elements:
B002 JUNCTION UNIT UNDER DASHBOARD
B099 MAXI FUSE BOX ON BATTERY
C010 LEFT FRONT EARTH
C022 Centre dashboard earth
C030 LEFT REAR EARTH
C031 RIGHT REAR EARTH
C100 CAB EARTH
D228 CAB/FRONT DRIVER'S DOOR COUPLING
D229 CAB/FRONT PASSENGER DOOR COUPLING
D230 RIGHT LONGITUDINAL/CAB COUPLING
D232 RIGHT LONGITUDINAL/LEFT SWING DOOR COUPLING
D247 REAR FOG LAMP BRIDGE COUPLING
E050 INSTRUMENT PANEL
F010 LEFT HEADLIGHT
F011 RIGHT HEADLIGHT
F030 LEFT REAR LIGHT CLUSTER
F031 RIGHT REAR LIGHT CLUSTER
F050 LEFT NUMBER PLATE LIGHT
F051 RIGHT NUMBER PLATE LIGHT
H001 IGNITION SWITCH
H005 STEERING COLUMN SWITCH UNIT
H090 SWITCH CONTROL PANEL
K125 RAIN AND DUSK SENSOR
M001 BODY COMPUTER
P060 DRIVER'S DOOR MIRROR
P061 PASSENGER DOOR MIRROR
Round plug pinout:
View attachment 453055
PIN Description
1 Dipped headlamps power supply
2 Main beam headlamps power supply
3 N.C.
4 Side lights power supply
5 N.C.
6 Direction indicators power supply
7 N.C.
8 N.C.
9 Headlamps levelling signal
10 N.C.
11 Dipped headlamps signal for levelling
12 N.C.
13 Headlamp levelling earth
14 Power earth for lights
I can't find the wiring colour descriptionHope to be able to still find it somewhere.
Have in mind it's a FIAT documentation, so it could have been changed several times between the time it was published and you van was produced. And then, SEVEL was known to use what they had available at the time...
How did you get this buddyx250 dipped headlights (based on the VIN of my 2011 Ducato Maxi):
Description:
A single (earth) signal is sent from the stalk unit H005 to the Body Computer M001 to manage both the side lights and dipped headlamps (including the AUTO mode): from pin 7 of H005 to pin 2 of connector B of M001; the signal is coded through various resistance partitions so that multiple information is sent from the steering column stalk unit to the Body Computer via a single connection.
A reference earth reaches pin 4 of connector A of steering column stalk unit H005 from pin 9 of connector B of Body Computer M001.
The Body Computer M001 receives a direct battery power supply at pin 1 (protected by fuse F38 of B002) and 18 of the coupling with the junction unit under the dashboard B002; it also receives an ignition-controlled power supply (INT) at pin 9 of the same coupling.
This direct battery power supply is protected upstream by fuse F71 (CPL1) of the B099 maxifuse control unit on the battery (connector D). On the Minibus versions (2.3 JTD / 3.0 JTD) the above power supply is protected by fuse F73 (CPL1) of the maxifuse box on the battery B099 (connector D).
The M001 Body Computer is also connected to the C022 central dashboard earth via pins 10 and 19 of connector B and via pin 20 of the junction with the B002 junction unit under the dashboard (output from pin 10 of connector B of the B002 junction unit).
The Body Computer M001 manages the activation of the dipped beam headlamps by providing an earth signal to relay T01 of the junction unit under the dashboard B002, once it has received the command from the steering column stalk unit (or from the dusk sensor in AUTO mode).
The left F010 (pin 1) and right F011 (pin 1) front headlamps are supplied via lines protected by fuses F13 and F12 respectively, both of which are located in the junction unit under the dashboard B002.
In particular, left headlamp F010 receives power via the connection from pin 3 of connector A of the junction unit under the dashboard B002, whilst left headlamp F011 receives power from pin 12 of connector A.
The dipped beam headlamps are activated by rain / dusk sensor K125 in AUTO mode; the sensor dialogues with the Body Computer via serial line A-BUS (connection between pin 2 of rain / dusk sensor K125 and pin 10 connector C of Body Computer M001).
The dusk sensor is supplied (pin 1) by an INT line protected by fuse F49 of the junction unit under the dashboard B002, and is connected, via pin 3, to cabin earth C100.
The Follow me home function is activated by a "main beam headlamps flasher" earth signal sent from the steering column switch unit H005 (pin 6 connector A) to the Body Computer M001 (pin 4 connector B).
Via the CAN line, the Body Computer is connected to instrument panel E050, pins 5 and 6 of connector B, and manages the general failure warning light and the relevant message on the display in the event of a dusk sensor fault.
Wiring diagram:
View attachment 453046
Main beam:
Description:
The steering column switch unit H005 is connected to the Body Computer M001. More specifically:
a reference earth reaches pin 4 of connector A of the steering column switch unit H005 from pin 9 of connector B of the Body Computer M001.
pin 6 of connector A of the steering column switch unit H005 is connected to pin 4 of connector B of the Body Computer M001, sending two different (negative) analogue signals depending on whether the flasher or fixed dipped headlamps mode is selected.
The Body Computer M001 recognizes the analogue signal sent by the steering column switch unit H005 and, supplying an earth signal, controls the activation of relay T02 located in the engine compartment junction unit B001 closing the circuit and providing a power supply for both front headlamps.
In particular, the left headlamp F010 receives a power supply, at pin 2, via the line protected by fuse F15 located in the engine compartment junction unit B001, whilst the right headlamp F011 receives a power supply via the line protected by fuse F14, also located in the same junction unit.
Both front headlamps are connected, via respective pins 14, to the left front earth C010.
The Body Computer M001 is connected, via the CAN line (pins 5 and 6 of connector B) to the instrument panel E050 (pins 5 and 6) to manage the "main beam headlamps" warning light.
Diagram:
View attachment 453047
Indicators / Hazards:
Description:
A single (earth) signal is sent from the stalk unit H005 to Body Computer M001 to manage the left and right direction indicators: from pin 5 of H005 to pin 7 of connector B of M001; the signal sent is coded through various resistance partitions so that different information is sent to the Body Computer from the steering column switch unit via a single connection.
Diagrams:
View attachment 453048
View attachment 453049
Side lights / number plate lights:
Description:
A single (earth) signal is sent from the stalk unit H005 to the Body Computer M001 to manage both the side lights and dipped headlamps (including the AUTO mode): from pin 7 of H005 to pin 2 of connector B of M001; the signal is coded through various resistance partitions so that multiple information is sent from the steering column stalk unit to the Body Computer via a single connection.
A reference earth reaches pin 4 of connector A of steering column stalk unit H005 from pin 9 of connector B of Body Computer M001.
The Body Computer M001 receives a direct battery power supply at pin 1 (protected by fuse F38 of B002) and 18 of the coupling with the junction unit under the dashboard B002; it also receives an ignition-controlled power supply (INT) at pin 9 of the same coupling.
The M001 Body Computer is also connected to the C022 central dashboard earth via pins 10 and 19 of connector B and via pin 20 of the junction with the B002 junction unit under the dashboard (output from pin 10 of connector B of the B002 junction unit).
Body Computer M001 controls the activation of the side lights respectively:
from pin 52 connector A, for left light F010 (pin 4);
from pin 39 connector A, for right light F011 (pin 4);
from pin 8 connector C, for rear left light F030 (pin 6);
from pin 9 connector C, for rear right light F031 (pin 2);
from pin 12 connector C, for left-hand F050 (pin 1) and right-hand F051 (pin 1) number plate lights.
The side lights are activated by rain / dusk sensor K125 in AUTO mode; the sensor dialogues with the Body Computer via serial line A-BUS (connection between pin 2 of rain / dusk sensor K125 and pin 10 connector C of Body Computer M001).
The dusk sensor is supplied (pin 1) by an INT line protected by fuse F49 of the junction unit under the dashboard B002, and is connected, via pin 3, to cabin earth C100.
The side/no. plate lights can also be turned on by placing the ignition switch H001 in the PARK position (POS power supply); the Body Computer M001 receives this power supply via pin 12 of the coupling with the junction unit under the dashboard B002.
The connection between pin 5 of connector A of the steering column switch unit H005 and pin 7 of connector B of the Body Computer M001 (direction indicators) allows the possible selection of the lights on only one of the two vehicle branches (left or right).
The Follow me home function is activated by a "main beam headlamps flasher" earth signal sent from the steering column switch unit H005 (pin 6 connector A) to the Body Computer M001 (pin 4 connector B).
The Body Computer is connected, via the CAN line, pins 5 and 6 of connector B, to the instrument panel E050 to manage the "side lights on" warning light.
In addition, if there are faults detected in the circuit or in the bulbs, the Body Computer manages the "exterior lights failure" warning light, via the CAN, or, in the case of a failure in the dusk sensor, the "general failure" warning light and the relevant messages in the display.
Diagrams:
View attachment 453051
View attachment 453052
Combined elements:
B002 JUNCTION UNIT UNDER DASHBOARD
B099 MAXI FUSE BOX ON BATTERY
C010 LEFT FRONT EARTH
C022 Centre dashboard earth
C030 LEFT REAR EARTH
C031 RIGHT REAR EARTH
C100 CAB EARTH
D228 CAB/FRONT DRIVER'S DOOR COUPLING
D229 CAB/FRONT PASSENGER DOOR COUPLING
D230 RIGHT LONGITUDINAL/CAB COUPLING
D232 RIGHT LONGITUDINAL/LEFT SWING DOOR COUPLING
D247 REAR FOG LAMP BRIDGE COUPLING
E050 INSTRUMENT PANEL
F010 LEFT HEADLIGHT
F011 RIGHT HEADLIGHT
F030 LEFT REAR LIGHT CLUSTER
F031 RIGHT REAR LIGHT CLUSTER
F050 LEFT NUMBER PLATE LIGHT
F051 RIGHT NUMBER PLATE LIGHT
H001 IGNITION SWITCH
H005 STEERING COLUMN SWITCH UNIT
H090 SWITCH CONTROL PANEL
K125 RAIN AND DUSK SENSOR
M001 BODY COMPUTER
P060 DRIVER'S DOOR MIRROR
P061 PASSENGER DOOR MIRROR
Round plug pinout:
View attachment 453055
PIN Description
1 Dipped headlamps power supply
2 Main beam headlamps power supply
3 N.C.
4 Side lights power supply
5 N.C.
6 Direction indicators power supply
7 N.C.
8 N.C.
9 Headlamps levelling signal
10 N.C.
11 Dipped headlamps signal for levelling
12 N.C.
13 Headlamp levelling earth
14 Power earth for lights
I can't find the wiring colour descriptionHope to be able to still find it somewhere.
Have in mind it's a FIAT documentation, so it could have been changed several times between the time it was published and your van was produced. And then, SEVEL was known to use what they had available at the time...
It's available only for the x250. Nothing on the x290How did you get this buddy
I need it for the new connector to see which wire is what for the 2 spare are they signal wires or live snd earth
Tried running them to live and earth and nothing lights won’t work has should
Thanks for the help anyway appreciate itIt's available only for the x250. Nothing on the x290So I won't be able to help with the 2 extra wires.
Just reading over comments I forgot you mentioned here about spare pins he does mentionAbout the headlights plugs, he also explains that the same plugs are used in 2008 - 2009 FIAT Croma, but they have 2 pins connected less. And they are almost 2 times cheaper, so one can buy the 3 Croma plugs (and use the missing pins from the third plug) instead of the 2 Ducato plugs. I'd also check if they are spare pins available at the dealership, it will be much more cheaper. For my non-FIAT daily I've bought 3 of them with a plug for like 3 EUR last week. They also had pins with cables (also a repair kit), but they were much more expensive (like 5 EUR per piece).
He also explains the positioning of the hinge base (but included the dimensions on the video). As far as I remember, 63 mm from the side and 370 mm from the bottom. It can be seen on the video.
The holes for the coolant and power steering liquid reservoirs' support are there, but the support is completely different. Same for the reservoirs. And the access is completely different (through the black plastic below the windscreen and not from under the bonnet).
If you would like me to check and translate a precise moment in the video, I'll try to do it in the evening![]()
Here I got confused because I got told these are just sidelights not drl reason I was confused with your commentI've already explained you the thing.
The headlight you've posted in post #87 is the middle x290 headlight. I've showed you the RL homologation on your headlight sticker on the back of it in the beginning of the thread. Your lamp has the DRL here:
View attachment 453020
It looks like that when lit up:
View attachment 453021
View attachment 453022
It has a classic tungstene bulb.
They installed the LED strip later on (2016+?, but not sure). The newest x290 lamp has got full LED lights and those ones are like 400 EUR+ or even more. That's why I wrote in the beginning that the full LED x290 front is like 2000 EUR in total. And the full LED lights would be the only reason I'd go with the mod myself.
Could also be that there were different trim levels on different markets and some of them had LED strip as standard earlier on (starting with the x290 introduction).
If you still don't believe me, check the owners' manual. Should be available in the download section
The DRLs became an obligatory standard factory equipment in the EU, so they had to install it.
The factory installed only the anti-fog lights in the lower bumper on both x250 and x290. DRLs were standard on the x290 and they were in the main headlight.Here I got confused because I got told these are just sidelights not drl reason I was confused with your comment
Drl I thought was placed in lower bumper
Or the led strip that came along
Ok by going over everything and speaking to someone with bad English this polish guy wired his headlights by cutting off old plug and soldering to pinsThe factory installed only the anti-fog lights in the lower bumper on both x250 and x290. DRLs were standard on the x290 and they were in the main headlight.
Some people or companies (for example the companies that made the conversion to motorhomes) could have installed DRLs in the lower bumper, but they were aftermarket products.
The anti-fog lights are different on the x250 and x290. The mount, the lower bumper, the light housing are completely different. Of course it was possible to make a custom mount and put aftermarket DRLs in there, but there is no factory accessory that will fit.
looking over this which is really helpful again thanksx250 dipped headlights (based on the VIN of my 2011 Ducato Maxi):
Description:
A single (earth) signal is sent from the stalk unit H005 to the Body Computer M001 to manage both the side lights and dipped headlamps (including the AUTO mode): from pin 7 of H005 to pin 2 of connector B of M001; the signal is coded through various resistance partitions so that multiple information is sent from the steering column stalk unit to the Body Computer via a single connection.
A reference earth reaches pin 4 of connector A of steering column stalk unit H005 from pin 9 of connector B of Body Computer M001.
The Body Computer M001 receives a direct battery power supply at pin 1 (protected by fuse F38 of B002) and 18 of the coupling with the junction unit under the dashboard B002; it also receives an ignition-controlled power supply (INT) at pin 9 of the same coupling.
This direct battery power supply is protected upstream by fuse F71 (CPL1) of the B099 maxifuse control unit on the battery (connector D). On the Minibus versions (2.3 JTD / 3.0 JTD) the above power supply is protected by fuse F73 (CPL1) of the maxifuse box on the battery B099 (connector D).
The M001 Body Computer is also connected to the C022 central dashboard earth via pins 10 and 19 of connector B and via pin 20 of the junction with the B002 junction unit under the dashboard (output from pin 10 of connector B of the B002 junction unit).
The Body Computer M001 manages the activation of the dipped beam headlamps by providing an earth signal to relay T01 of the junction unit under the dashboard B002, once it has received the command from the steering column stalk unit (or from the dusk sensor in AUTO mode).
The left F010 (pin 1) and right F011 (pin 1) front headlamps are supplied via lines protected by fuses F13 and F12 respectively, both of which are located in the junction unit under the dashboard B002.
In particular, left headlamp F010 receives power via the connection from pin 3 of connector A of the junction unit under the dashboard B002, whilst left headlamp F011 receives power from pin 12 of connector A.
The dipped beam headlamps are activated by rain / dusk sensor K125 in AUTO mode; the sensor dialogues with the Body Computer via serial line A-BUS (connection between pin 2 of rain / dusk sensor K125 and pin 10 connector C of Body Computer M001).
The dusk sensor is supplied (pin 1) by an INT line protected by fuse F49 of the junction unit under the dashboard B002, and is connected, via pin 3, to cabin earth C100.
The Follow me home function is activated by a "main beam headlamps flasher" earth signal sent from the steering column switch unit H005 (pin 6 connector A) to the Body Computer M001 (pin 4 connector B).
Via the CAN line, the Body Computer is connected to instrument panel E050, pins 5 and 6 of connector B, and manages the general failure warning light and the relevant message on the display in the event of a dusk sensor fault.
Wiring diagram:
View attachment 453046
Main beam:
Description:
The steering column switch unit H005 is connected to the Body Computer M001. More specifically:
a reference earth reaches pin 4 of connector A of the steering column switch unit H005 from pin 9 of connector B of the Body Computer M001.
pin 6 of connector A of the steering column switch unit H005 is connected to pin 4 of connector B of the Body Computer M001, sending two different (negative) analogue signals depending on whether the flasher or fixed dipped headlamps mode is selected.
The Body Computer M001 recognizes the analogue signal sent by the steering column switch unit H005 and, supplying an earth signal, controls the activation of relay T02 located in the engine compartment junction unit B001 closing the circuit and providing a power supply for both front headlamps.
In particular, the left headlamp F010 receives a power supply, at pin 2, via the line protected by fuse F15 located in the engine compartment junction unit B001, whilst the right headlamp F011 receives a power supply via the line protected by fuse F14, also located in the same junction unit.
Both front headlamps are connected, via respective pins 14, to the left front earth C010.
The Body Computer M001 is connected, via the CAN line (pins 5 and 6 of connector B) to the instrument panel E050 (pins 5 and 6) to manage the "main beam headlamps" warning light.
Diagram:
View attachment 453047
Indicators / Hazards:
Description:
A single (earth) signal is sent from the stalk unit H005 to Body Computer M001 to manage the left and right direction indicators: from pin 5 of H005 to pin 7 of connector B of M001; the signal sent is coded through various resistance partitions so that different information is sent to the Body Computer from the steering column switch unit via a single connection.
Diagrams:
View attachment 453048
View attachment 453049
Side lights / number plate lights:
Description:
A single (earth) signal is sent from the stalk unit H005 to the Body Computer M001 to manage both the side lights and dipped headlamps (including the AUTO mode): from pin 7 of H005 to pin 2 of connector B of M001; the signal is coded through various resistance partitions so that multiple information is sent from the steering column stalk unit to the Body Computer via a single connection.
A reference earth reaches pin 4 of connector A of steering column stalk unit H005 from pin 9 of connector B of Body Computer M001.
The Body Computer M001 receives a direct battery power supply at pin 1 (protected by fuse F38 of B002) and 18 of the coupling with the junction unit under the dashboard B002; it also receives an ignition-controlled power supply (INT) at pin 9 of the same coupling.
The M001 Body Computer is also connected to the C022 central dashboard earth via pins 10 and 19 of connector B and via pin 20 of the junction with the B002 junction unit under the dashboard (output from pin 10 of connector B of the B002 junction unit).
Body Computer M001 controls the activation of the side lights respectively:
from pin 52 connector A, for left light F010 (pin 4);
from pin 39 connector A, for right light F011 (pin 4);
from pin 8 connector C, for rear left light F030 (pin 6);
from pin 9 connector C, for rear right light F031 (pin 2);
from pin 12 connector C, for left-hand F050 (pin 1) and right-hand F051 (pin 1) number plate lights.
The side lights are activated by rain / dusk sensor K125 in AUTO mode; the sensor dialogues with the Body Computer via serial line A-BUS (connection between pin 2 of rain / dusk sensor K125 and pin 10 connector C of Body Computer M001).
The dusk sensor is supplied (pin 1) by an INT line protected by fuse F49 of the junction unit under the dashboard B002, and is connected, via pin 3, to cabin earth C100.
The side/no. plate lights can also be turned on by placing the ignition switch H001 in the PARK position (POS power supply); the Body Computer M001 receives this power supply via pin 12 of the coupling with the junction unit under the dashboard B002.
The connection between pin 5 of connector A of the steering column switch unit H005 and pin 7 of connector B of the Body Computer M001 (direction indicators) allows the possible selection of the lights on only one of the two vehicle branches (left or right).
The Follow me home function is activated by a "main beam headlamps flasher" earth signal sent from the steering column switch unit H005 (pin 6 connector A) to the Body Computer M001 (pin 4 connector B).
The Body Computer is connected, via the CAN line, pins 5 and 6 of connector B, to the instrument panel E050 to manage the "side lights on" warning light.
In addition, if there are faults detected in the circuit or in the bulbs, the Body Computer manages the "exterior lights failure" warning light, via the CAN, or, in the case of a failure in the dusk sensor, the "general failure" warning light and the relevant messages in the display.
Diagrams:
View attachment 453051
View attachment 453052
Combined elements:
B002 JUNCTION UNIT UNDER DASHBOARD
B099 MAXI FUSE BOX ON BATTERY
C010 LEFT FRONT EARTH
C022 Centre dashboard earth
C030 LEFT REAR EARTH
C031 RIGHT REAR EARTH
C100 CAB EARTH
D228 CAB/FRONT DRIVER'S DOOR COUPLING
D229 CAB/FRONT PASSENGER DOOR COUPLING
D230 RIGHT LONGITUDINAL/CAB COUPLING
D232 RIGHT LONGITUDINAL/LEFT SWING DOOR COUPLING
D247 REAR FOG LAMP BRIDGE COUPLING
E050 INSTRUMENT PANEL
F010 LEFT HEADLIGHT
F011 RIGHT HEADLIGHT
F030 LEFT REAR LIGHT CLUSTER
F031 RIGHT REAR LIGHT CLUSTER
F050 LEFT NUMBER PLATE LIGHT
F051 RIGHT NUMBER PLATE LIGHT
H001 IGNITION SWITCH
H005 STEERING COLUMN SWITCH UNIT
H090 SWITCH CONTROL PANEL
K125 RAIN AND DUSK SENSOR
M001 BODY COMPUTER
P060 DRIVER'S DOOR MIRROR
P061 PASSENGER DOOR MIRROR
Round plug pinout:
View attachment 453055
PIN Description
1 Dipped headlamps power supply
2 Main beam headlamps power supply
3 N.C.
4 Side lights power supply
5 N.C.
6 Direction indicators power supply
7 N.C.
8 N.C.
9 Headlamps levelling signal
10 N.C.
11 Dipped headlamps signal for levelling
12 N.C.
13 Headlamp levelling earth
14 Power earth for lights
I can't find the wiring colour descriptionHope to be able to still find it somewhere.
Have in mind it's a FIAT documentation, so it could have been changed several times between the time it was published and your van was produced. And then, SEVEL was known to use what they had available at the time...
Yes I’ve had no information apart from you helping on this buddyThere's an advantage that your headlight has a classic tungstene bulb in the DRL: you can check with a multimeter which cable connects to the middle pin in the DRL bulb fitting.
Ground should be common for all the headlight. I have to try to invent what the last cable is for.
Strange that there's no one on the forum who have access to the x290 wiring that could help with the last one![]()
Thank you when he comes tomorrow I will tell him all this informationIf you'll connect the DRLs via the external relay, it should not throw any errors. The DRL will not have any connection to the BCM.
This external relay is this the 5 pin relay you mentioned? If so won’t a live ignition feed still need to go to the relay thoIf you'll connect the DRLs via the external relay, it should not throw any errors. The DRL will not have any connection to the BCM.
By the 'external' I ment the one that you'll add. In fact it can be placed in the fuse / relay box in the engine bay, but you'll need to find a suitable place for it (without connectors that are being used). When I was checking the connections for the front anti-fog lights, the relay was not present, but the connections were there, so when I put the correct relay in place and connected the anti-fog lights to the cables they were working. Double check not to mess with something.This external relay is this the 5 pin relay you mentioned? If so won’t a live ignition feed still need to go to the relay tho
Sorry mate has you can see no idea which electrics
I’m thinking he will either need to run a wire from the fuse box or ignition to relay
Thank you when he comes tomorrow I will tell him all this information
I have x2 5 pin relays if he needs them
Will I need some extra wire at all ? I want to have everything so he can complete the job and not say not got the gear to do so
That’s the 5 pin relays I have buddyBy the 'external' I ment the one that you'll add. In fact it can be placed in the fuse / relay box in the engine bay, but you'll need to find a suitable place for it (without connectors that are being used). When I was checking the connections for the front anti-fog lights, the relay was not present, but the connections were there, so when I put the correct relay in place and connected the anti-fog lights to the cables they were working. Double check not to mess with something.
It's not a bad idea to put the relay in the box, as it would be somehow 'protected' from water / dust.
Yes, you'll need extra wires and 2 types of connectors (the one that will fit the relay and a T-type connector). Some heatshrink, and insulating tape. If you plan to put the relay outside the fusebox, you'll also need something to attach the relay to (could be a loom). You could use zip ties, but it depends on where you want to attach it.
For the connections:
pin 30: + from the contact / ignition (you have to find it somewhere in the main fusebox, it's available in several places, there are surely some free fuses powered when the ignition is on, on another forum I've found it could be F49, it's 5 A, but should be enough for the DRLs)
pin 85: ground (I suggest it to be the PIN 14 from the round headlight plug)
pin 86: markers / side light + (PIN 4 from the round headlight plug)
pin 87: not connected
pin 87a: DRLs +(one of the loose two cables, but the one that connects to the middle of the DRL bulb connector)
The pins 30 and 87a should be connected to only two wires (relay + round headlight connector / relay + the new fuse)
For the pins 85 and 86 you need to use the T-type connector, as it would need 3 wires to be connected (relay + round headlight connector + loom)