Qubo Fiat Qubo - Cruise Control

Currently reading:
Qubo Fiat Qubo - Cruise Control

qubomania

New member
Joined
Nov 18, 2014
Messages
1
Points
1
Hi All, first time on here and first time Fiat owner.

I purchased a Fiat Qubo (clue is in the title) at the weekend after hiring this vehicle on holiday for 3 weeks and I am so glad I bought it. Great wee family car, I got the 1.3 diesel mid range model. (63 plate)

I have one question, Cruise control!!. I enquired at the local Fiat Dealer about adding on Cruise Control to this vehicle only to be told

"I have checked with fiat and your vehicle doesn’t have cruise control and unfortunately you cannot fit this after the vehicle has been built"

Now would Fiat actually cut there nose to spite there face? Why on earth would you not sell extras for your car? I used to own a Zafira Ctdi Sri and added cruise control by simply changing the indicator stalk and enabling the function via there software at a local garage, hey presto worked a treat.

On my Qubo I can clearly see the emblem for Cruise Control on the dashboard, I can clearly see the space for the extra CC stalk to be fitted so whats the big deal?

Any ideas or is this an after market CC I need ? I cannot find a stalk crusie control for the Fiat anywhere as I wanted to give this a go first !

Any help appreciated

Cheers, Chris
 
Hi All, first time on here and first time Fiat owner.

I purchased a Fiat Qubo (clue is in the title) at the weekend after hiring this vehicle on holiday for 3 weeks and I am so glad I bought it. Great wee family car, I got the 1.3 diesel mid range model. (63 plate)

I have one question, Cruise control!!. I enquired at the local Fiat Dealer about adding on Cruise Control to this vehicle only to be told

"I have checked with fiat and your vehicle doesn’t have cruise control and unfortunately you cannot fit this after the vehicle has been built"

Now would Fiat actually cut there nose to spite there face? Why on earth would you not sell extras for your car? I used to own a Zafira Ctdi Sri and added cruise control by simply changing the indicator stalk and enabling the function via there software at a local garage, hey presto worked a treat.

On my Qubo I can clearly see the emblem for Cruise Control on the dashboard, I can clearly see the space for the extra CC stalk to be fitted so whats the big deal?

Any ideas or is this an after market CC I need ? I cannot find a stalk crusie control for the Fiat anywhere as I wanted to give this a go first !

Any help appreciated

Cheers, Chris

Rumour has it (sure this has been covered on here) that it can be a retro-fit after market add-on. I believe the wiring is all there and you (simply) fit the stalk - maybe having to cut the cowl on the lower LH of the steering column to accommodate it - not 100% as my Fiorino had it from day1. They do appear on ebay from time to time, just keep a look out ;)

R-V-M
 
Hi All, first time on here and first time Fiat owner.

I purchased a Fiat Qubo (clue is in the title) at the weekend after hiring this vehicle on holiday for 3 weeks and I am so glad I bought it. Great wee family car, I got the 1.3 diesel mid range model. (63 plate)

I have one question, Cruise control!!. I enquired at the local Fiat Dealer about adding on Cruise Control to this vehicle only to be told

"I have checked with fiat and your vehicle doesn’t have cruise control and unfortunately you cannot fit this after the vehicle has been built"

Now would Fiat actually cut there nose to spite there face? Why on earth would you not sell extras for your car? I used to own a Zafira Ctdi Sri and added cruise control by simply changing the indicator stalk and enabling the function via there software at a local garage, hey presto worked a treat.

On my Qubo I can clearly see the emblem for Cruise Control on the dashboard, I can clearly see the space for the extra CC stalk to be fitted so whats the big deal?

Any ideas or is this an after market CC I need ? I cannot find a stalk crusie control for the Fiat anywhere as I wanted to give this a go first !

Any help appreciated

Cheers, Chris

I wonder if the Alfa 147 complete slip ring/3 stalk steering-wheel assembly would fit the Qubo steering wheel? If so then it would give (us) a variable wash wipe which would be rather nice, plus the Cruise Control too. There is a 'Set' button on the end of the wiper stalk so that should interact with the display switching. Many parts have "FiatAlfa" in their moulding data so there must a be a lot of crossover parts which could interchange. I wonder how many dealers or ebay sellers, if asked, would know whether this part will exchange with the Fiat?

Here's the stalk on its own clicky
Here's the whole lot clicky
The Alfa cruise stalk is quite different from the Fiat one and also the collars where the stalks mount into the cowl on the LH side differ too having a rubber collar rather than a long insert with a stalk at each end - maybe it's too different. The Fiat assembly is like hen's teeth on the web, can't find one anywhere. Where can we get part numbers from for our cars? I did buy a Peugeot parts list and wiring diags but I can't get back into the software now and I don't have a Peugeot VIN number to enter as an example.. :(

When I owned a RAV4 I swapped out the wiper stalk for one from a Corolla and it was the exact swap mount-wise but gave me the variable wash intervals. 2 screws mounting, plug in connector on the module and all the timer electronics were self-contained in the module. 5 minute fit. Is there a Fiat that's so close to the Qubo/Fiorino that interior parts will simply exchange? The Grande Punto gets a mention from time to time, is this the one? (The GP steering wheel looks most similar to the Quborino set up, viewing them on ebay cars for sale)

I appreciate that successively 'exec' models will have more and more features but there seems to be a dearth of gizmos on the Qubo over the Fiorino - I would have expected a lot more tweaks on the menu for instance but it's identical to the van's options.
Is the alarm system that's available a plug-in unit using existing wiring?

R-V-M
 
This post contains eBay links which may earn a commission at no additional cost to you.
Last edited:
Rumour has it (sure this has been covered on here) that it can be a retro-fit after market add-on. I believe the wiring is all there and you (simply) fit the stalk - maybe having to cut the cowl on the lower LH of the steering column to accommodate it - not 100% as my Fiorino had it from day1. They do appear on ebay from time to time, just keep a look out ;)

R-V-M

Quoting me and replying to me....
I spent some time browsing the web over the last day or six and found the column stalk set for the Grande Punto which looks very like the Quborino. I went to EuroCarParts today. The guy on the desk was very helpful, he looked on their parts section and the web and couldn't find any cruise parts for the Qubo (he had my reg) and ultimately used one of their Bipper registrations to do a parts search and that didn't produce any matches either. He decided in the end that it's a main dealer parts search. Trouble is though, a Main Dealer doesn't really exist. It's Stoneacre or Autoworld who do several marques, nothing specific to Fiat or Peugeot etc.. FiatAlfaparts have this part at £99.00 (out of stock!). I just hope since there's a picture stating that, it means more are coming in.

On the subject of fitting it, can anyone shed light on whatever Fiat in their infinite wisdom have used as screws to hold the cowl together? It's some Allen bolt or torx screw or something but I can't get anything l could find to fit a head. What are they playing at? Most things on the Qubo are Torx fitting. Not my preferred method and a right nuisance!

R-V-M
 
Hello from Turkey.
It is possible to make CC later.
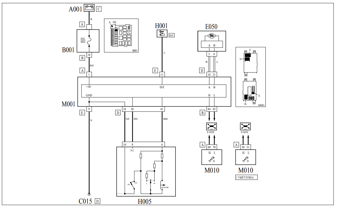
Equipment required for this:Signal unit with cruise controlMultiecuscan programELM 327 Modified.Electric scheme
1707906131897.png
 
Hi all!
I want to confirm that original cruise control can be fitted on all models.
On some models it is enough to change levers and enable it through OBD plug, others need some connections, as previous posted. No switch need to be changed on brake and clutch.
OBD is needed also because of different levers have different driving wheel potentiometer, and it needs to be reset, otherwise Hill holder first and EGR after will give errors. I reset it with Multiecuscan, version 5.2.
I have 1.4 natural power version, and you need to connect pin 6 of new levers with pin 41 of connector D. I also connected pin 8 to pin 56, but it seems to be not needed. The connector D in Qubo Is BACK to all plugs near OBD connector. In the bottom one.
Pay attention to spiral contact when you mount levers.
Put new cables is not much fun because of connector positions, but brave and tenacious people meet their aim. 😉
 
Last edited:
After mounting new cables with right pins i suggest, on the D connector, to check between PIN 34 and PIN 41 resistance with multimeter. It is enough to check cruise control OFF-ON, any other command is on the same line with different resistance. You must have open circuit and somethingidontremember value. Then you can put D connector in place. ;-)
 
07355317800 the official spare part for Qubo, but maybe other numbers for other vehicles, like Fiorino, Nemo, Bipper are compatible. Maybe Grande Punto also. At left you need to change cover because you need two holes instead of one. You can drill it or buy 735386360.
 
Back
Top